Hafele 403.25.040 Vertical Sliding Door Hardware, Mover System For one door, Cabinet height: 18 7/8", door width: 35 7/16", door weight: 13.2-17.6 lbs
Product Information
Description
Manufacturer: Hafele
Item: 403.25.040
Product Title: Vertical Sliding Door Hardware, Finetta F-Line32 23A, For one door, Cabinet height: 18 7/8", door width: 35 7/16", door weight: 13.2-17.6 lbs
Category: ,
Item Details
- Particularly suitable for kitchen wall units
- Fittings are positioned only in front of the cabinet
- For single door vertical sliding applications
- Opening and closing controlled by torsion spring
- Counterweights are not required
- The door stops and stays in place in any position
- Mechanism is contained within load-bearing side aluminum beams
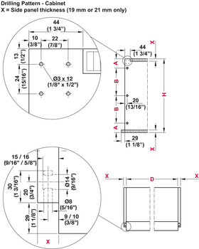
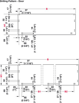
- Number of doors : 1.00
- For side panel thickness : 19/20 mm
- Cabinet version : kitchen cabinets
- Set : Set with tracks
- Area of application : For 1 doors
- Adjustment facility : Height adjustment: -3βββ3 mm, Vertical: Β±3 mm (1/8")
- Counterweight : No counterweight required
- Number of doors per system max. : 1
- Supplied with:
- 1 supporting aluminum profile
- 1 pair of sliding track, extending
- 1 sliding track for center intermediate panel (only for door widths 1,800 (70 3/4β) and 2,400 mm (94 1/2β))
- Mounting material
Additional Information
The 480 mm (19β) version is a special order and will have a longer lead timeData Sheet
Product Resources
Specifications
For detailed PDF specifications, click:
Hafele Catalog Page: selection_7.90-7.91.pdf
Please contact us for more information about this productBrand PDF Catalogs
Click on a Category to open a PDF catalog:
Sliding and Folding Catalog
Fineline Brochure
Free Flap Fittings Brochure
The Complete Architectural Hardware Catalog
Dialock In Hotels Catalog
Dialock System Catalog
IXConnect Invisible Heroes
One Room One Face Catalog
Architectural Hardware: American Standard Catalog
Closet Catalog
Decorative Wood Catalog
Cornerstone Catalog
Decorative Hardware Catalog
Kitchen Solutions Catalog
Loox5 Lighting Catalog
Furniture Cabinetry Hardware Catalog
Designing Accessibility HEWI Catalog
The Complete Cabinet
Quick Metric Conversions: 25mm = 1 inch (approx), 2.5cm = 1 inch (approx), 96mm = 3.75 inches











