Hafele 942.51.830 Floor Channel, Suitable for Industrial Type Thresholds Where Vehicular Traffic is Likely Straightaway 320, 3 m Length
Product Information
Description
Manufacturer: Hafele
Item: 942.51.830
Product Title: Floor Channel, Suitable for Industrial Type Thresholds Where Vehicular Traffic is Likely, Straightaway 320, 3 m Length
Category: Floor Channel, Suitable for Industrial Type Thresholds Where Vehicular Traffic is Likely, Straightaway 320
Item Details …
- Metal door thickness: minimum 50 mm (2”)
- Stiles should be a minimum of 125 mm (4 1/2”) toaccommodate hanger aprons
- Wood doors should be framed, ledged and braced
- For industrial or commercial and barn doors
- Top hung straight sliding doors on single runs of track
- Metal doors angle framed or hollow tubular sections, sheeted one or both sides
- Ensure adequate bracing
- Weatherhoods by installer are recommended on external doors
- Track brackets are side-mounted
- Floor channel is set flush, but the stay roller floor guide is an alternative
- All hangers can be adjusted vertically
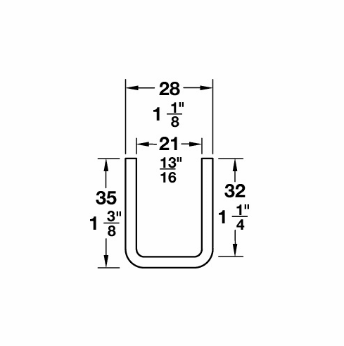
- Product type : Floor Channel
- Width : 28.00 mm
- Height : 35.00 mm
- For door height (inches) : 16'
- For min. glass thickness (inches) : 1 1/2"
- For max. glass thickness (inches) : 2 1/2"
- Track version : SingleData Sheet
Product Resources
Specifications
For detailed PDF specifications, click:
Hafele Sliding Door Catalog Page: selection_1.142-1.145.pdf
Hafele 942.51.830 Floor channel, 36mm x 37mm, steel, galvanized, 3.0 m- Hardware > Hardware Accessories
- Hardware,Hafele,50-500
- Brand: Hafele
- Part#: 942.51.830
- Condition: new
Brand PDF Catalogs
Click on a Category to open a PDF catalog:
Sliding and Folding Catalog
Fineline Brochure
Free Flap Fittings Brochure
The Complete Architectural Hardware Catalog
Dialock In Hotels Catalog
Dialock System Catalog
IXConnect Invisible Heroes
One Room One Face Catalog
Architectural Hardware: American Standard Catalog
Closet Catalog
Decorative Wood Catalog
Cornerstone Catalog
Decorative Hardware Catalog
Kitchen Solutions Catalog
Loox5 Lighting Catalog
Furniture Cabinetry Hardware Catalog
Designing Accessibility HEWI Catalog
The Complete Cabinet
Quick Metric Conversions: 25mm = 1 inch (approx), 2.5cm = 1 inch (approx), 96mm = 3.75 inches









