Product Information
Description
Manufacturer: Hafele
Item: 637.45.280
Product Title: Adjustable Table 2-Leg System, STAR, black
Category: Adjustable Table 2-Leg System, STAR,
Item Details
- STAR tables are safe, with an integrated Collision Protection System:
- 1). AMP Draw β If the control box detects that any of the legs receive a spike in amp-draw due to, for example, something hitting the table, the table will reverse direction to avoid damage.
- 2). Gyro Sensor β This internal sensor will detect the following:
- β’ Sudden change in speed (up or down)
- β’ Sudden change in the angle of the desk (up or down)
- β’ An impact to the worksurface (up or down)
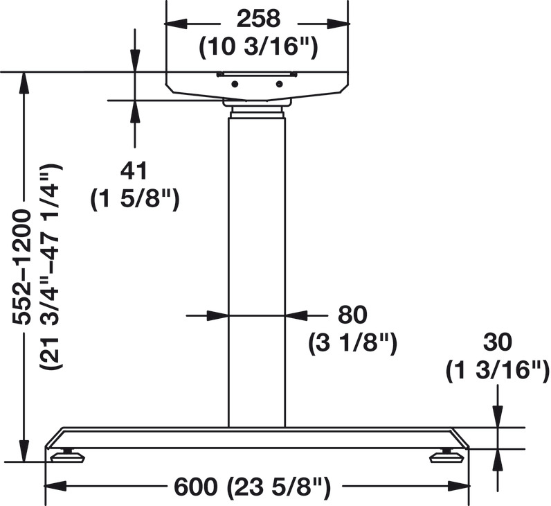
- Stroke: 25 1/2"
- Meets BIFMA X5.5 standards
- UL 962 Recognize
- Made in the USA.
- Weight rating: 280 lbs including top weight
- Version : With 3-stage adjustable columnsWith 4-setting programmable switch
- Travel : 40 mm/sec
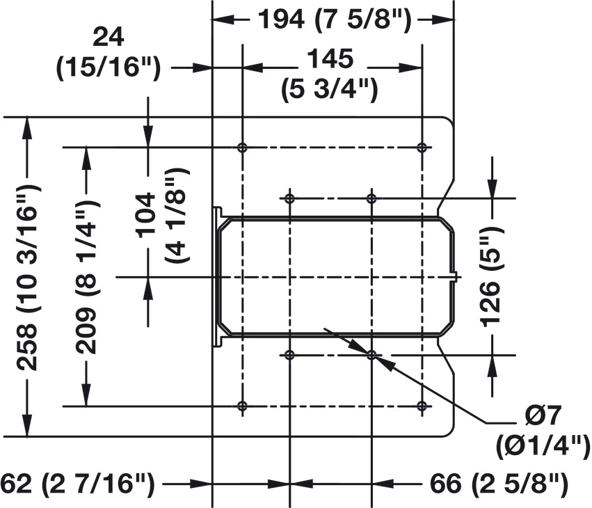
- Area of application : Recommended for: Top Widths 36β β 72βTop Depths 24β β 30β
- Height adjustment : 21 3/4β β 47 1/4β, not including top thickness
- Load bearing capacity : 280 lbs including top weight
- Order reference
- Anti-sag bar recommended for tops over 61" wide
- Supplied with:
- 2 Adjustable columns
- 2 Top Support Plates
- 2 Feet
- Programmable switch
- Control box, wiring and assembly hardware.
Additional Information
Weight rating is based on an evenly distributed load over tabletop. Please provide at least 1β space between tabletop and any adjoining surfaces, cabinets, etc.Data Sheet
Product Resources
Brand PDF Catalogs
Required Products & Optional Accessories
Optional Accessories:- Anti-Sag Bar, Optional
Quick Metric Conversions: 25mm = 1 inch (approx), 2.5cm = 1 inch (approx), 96mm = 3.75 inches









